Wassersäule mit Blubberbläschen und Farbwechsel

Anleitungen für "hausgemachte" LED Projekte

Moderator: T.Hoffmann

Antworten
MeisteroE
User
User
Beiträge: 19
Registriert: So, 17.09.06, 11:23
Kontaktdaten:

Mo, 10.12.07, 16:04

Als ich auf einem Spermüll zufällig Plexiglasrohre entdeckte dachte ich mir damit muss man doch was anfangen können...

Also kam ich auf die idee mir sone Wassersäule selbst zu bauen. Leds mit automatischen Farbenwechsel und natürlich diesen Blubberbläschen.

Das mit der Beleuchtung war für mich kein Problem umzusetzen (Arbeite oft und gerne mit LEDs) aber bei den Blubberbläschen musste ich schon überlegen wie ich das anstelle...
hab mich dann bisschen informiert und hab mich entschlossen ein Teichbelüftungsset zu kaufen. Da war alles bei was ich brauchte Schlauch, Rückschlagventil, Pumpe und diese
tollen Ausströmsteinchen (die bewirken kleinere und mehrere Bläschen :) )
So hatte ich mir das am Ende ungefähr vorgestellt:
blubberblasending.jpg

Material für eine Säule: Ist alles den angepasst was ich zur Verfügung hatte muss nicht das Beste sein ;) Könnte aber vielleicht auch doch :P

- Plexiglasrohr in meinem Fall 60cm x 10cm und 3,5mm Wandstärke~~~~~~~~~~= 0€ (Glück)
- Plexiglas 13cm x 13cm und 4mm dick aus einer 2m x 1m Platte gesägt~~~~~~~= 8€
- Teichbelüftungset~~~~~~~~~~~~~~~~~~~~~~~~~~~~~~~~~~~~~~~~~= 35€
- LEDs 9 Pro Farbe. Rot Grün Blau. 27x ca. 0,20€ + Wiederstände 1€~~~~~~ ~~~= 6,4€
- Bauteile für den RGB Fader ~~~~~~~~~~~~~~~~~~~~~~~~~~~~~~~~~~~= 8€
- Kleber für Plexiglas (UHU Allplast)~~~~~~~~~~~~~~~~~~~~~~~~~~~~~~~= 2,5€
_______
Gesamt:~~~~~~~~~~~~~~~~~~~~~~~~~~~~~~~~~~~~~~~~~~~~~~~~= 59,9€

Und natürlich Kleinmaterial wie bissl Kabel oder Lötzinn. oder Wasser ^^

... hui wenn ich das so durchrechne das läppert sich schon. Naja Bastelsucht :D

Werkzeug:

- Stichsäge
- Bohrmaschine oder Akkuschrauber
- Lötkolben
- Kleinen Seitenschneider
- Schere

So sah mein kleines Arbeitsplätzchen aus:
P1010851.jpg
Ich werde die Schritte anhand der Bilder erklären das ist wohl das einfachste.


Das ist das zubehör der Pumpe und die Pumpe selber mit Drehknopf zur Regulierung der Blasstärke.
P1010852.jpg
Angefangen hab ich mit einer 13cm x 13cm Plexiplatte in die mitte ein Loch wo ich ein Rückschlagventile einklebte.
P1010829.jpg
Den Kleber den ich gefunden hab ist echt gut geeignet dafür!!!! UHU Allplast für PVC, Acryl, Plexiglas etc.


Anschließend kam der Ausströmerstein an das Rückschlagventil mit nem Stück schlauch da das sonst nicht aneinander passte.
P1010831.jpg
Jetzt habe ich das Rohr 60cm lange 10cm dick und eine Wandstärke von ca. 4mm auf die Platte geklebt. Ist mir leider nicht ganz gelungen das mittig mit dem Ausströmersteinchen hinzukriegen.... Aber ich bin zurfrieden damit das sieht man eigentlich garnicht.
P1010833.jpg

Danach hab ich erstmal gespannt getestet ob das auch Wasserdicht ist. Das war es und die Klebestelle ist sogar unerwartet stabil. :)

Jetzt war es Zeit sich an die Beleuchtung zu machen. Für die Halterung der LEDs nahm ich eine Plexiglasplatte wo ich mir ein kreis aussägte der in das Rohr passt(garnicht so einfach das rund zu kriegen ^^).und einmal im Kreis 5mm Löcher 13mm vom rand für die LEDs.
Von jeder Farbe (rgb) 9 Stück. Immer 3 in Reihe.

Das sah dann so aus:

P1010839.jpg
Die LEDs hab ich einfach so in die Löcher gesteckt die waren fest genug.Kleber war nicht erforderlich.
Das Loch in der Mitte ist für den Luftschlauch....
Die Verwendeten LEDs:
P1010848.jpg
Jetzt kommt die Scheibe mit den LEDs in ein 3cm Rohrstück und wird unter die Bodeplatte geklebt.
P1010840.jpg
P1010841.jpg
Nochmal alles in der Übersicht:
unbenannt11.jpg
unbenannt10.jpg
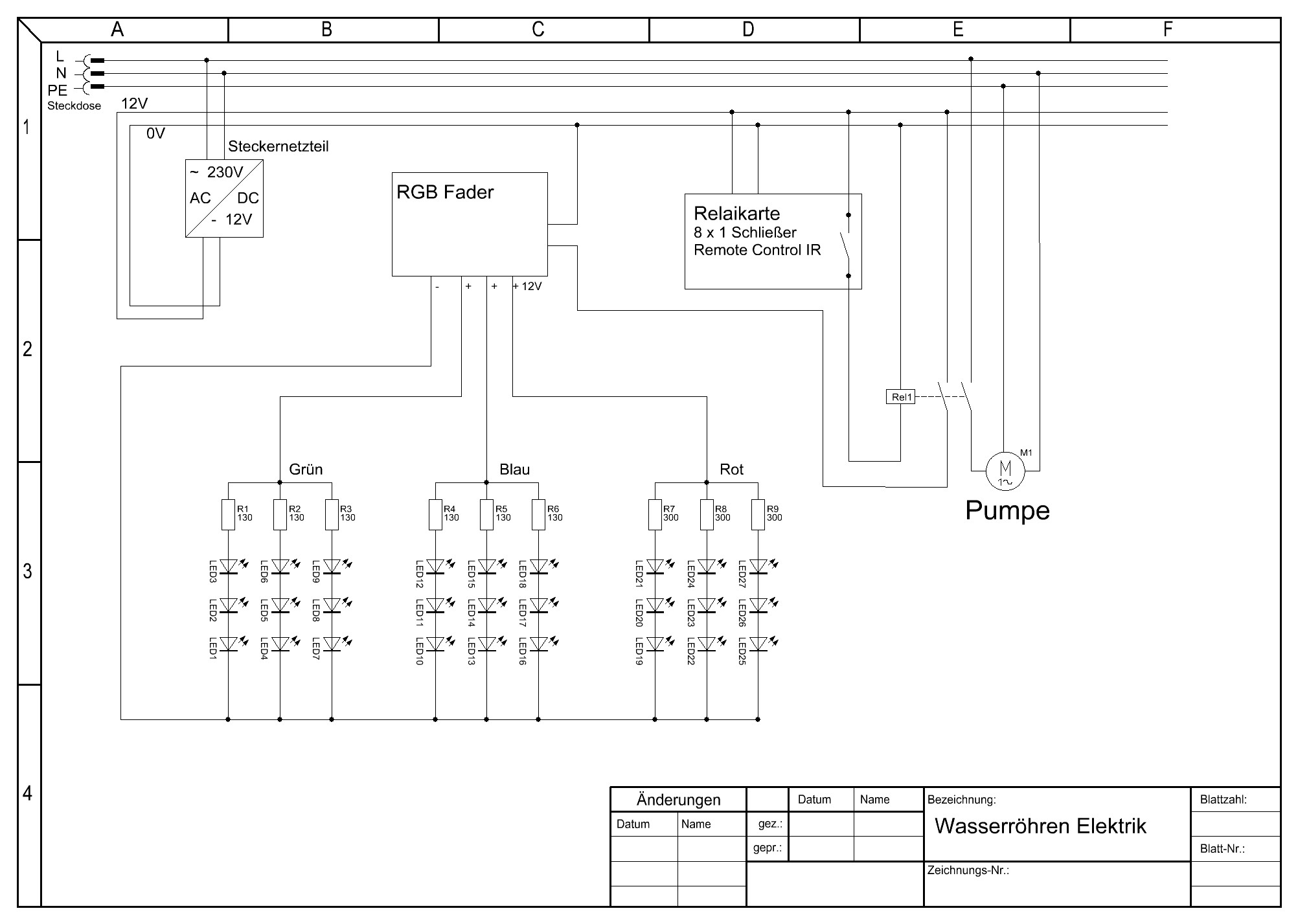
Den RGB Fader Entdeckteckte ich bei http://www.bader-frankfurt.de/elek/rgbledfade.jpg
Bild

Da hab ich jetzt einfach am Ausgang (Emitter) des Transistors jeweils 3 x diesen in Reihe geschalteten Strang aus LED und Wiederstand paralel geschaltet
Hab ich auch gleich mit aufgezeichnet wie das am ende aussehen soll (elektrisch).
Ich hab mir mal eine Relaikarte mit 8 Relais ersteigert. Diese ist mit Fernbedienung bedienbar :D. Darüber werde ich die dann einschalten können.
Diese können aber leider nur bis 48V schalten daher brauchte ich noch ein zusätzliches relais für die Pumpe.
Die 12V Gleichspannung kommen aus einem Steckernetzteil welches von einem alten Router stammt.
Schaltplan:
Rohrschaltplan.JPG
Jetzt war es endlich an der Zeit das das erste Mal zu testen und zu hoffen das es besser als erwartet wird :D
Und es gefiel mir :)
P1010843.jpg
P1010846.jpg
Das Motivierte mich weiter zu machen und auf die Röhre noch einmal eine gleichgröße Röhre zu kleben :D
also dann 1,2m hoch. Jetzt wollte ich das aber nicht mehr mit Wasser befüllt in meinem zimmer haben
erstmal brauchte ich ein geeigneten Ständer. Ich entschied mit dann für eine Wandhalterung weil es da am unwahrscheinlichsten ist das jemand gegenstößt.
Diese legte ich gleich für 4 Röhren an weil ich soviele anstrebte. (Vielleicht weil die Pumpe 4 Ausgänge hat :D )
Ein altes Brett 100cm x 20cm außen Keller mit neuen 10 cm Löchern ;)
Verstärkt mit einer alten Regalstütze. 4cm x 4cm x100cm
Das kam dann mit 2 Winkeln an die Wand.
P1010861.jpg
Jetzt nur kurz den Luftschlauch angesteckt und eben provisorisch die Kabel ran.
Die 2te halbfertige Röhre auch noch dazu. So siehts bis jetzt aus:
P1010880.jpg
P1010876.jpg
P1010883.jpg
P1010884.jpg
Entstandene Problem:
- Wenn ich die große Röhre komplett voll mache kommen kaum noch Bläschen da wird der Wasserdruck zu groß.
Lösung:
- Stärkere Pumpe :P

Aber mir reicht das so!

Bei der Großen hab ich nur mal so zu test Zwecken Leds dahinter gestellt die so Schräg in die Röhre leuchten
dadurch kommt unten die andere Farbe zu stande. Was wie ich finde genial aussieht :D
Da werde ich wenn die anderen Röhren auch fertig sind LEDs hinbauen mit anderen RGB zyklus damit immer wieder neue Mischungen zustande kommen.


Hab schon die nächste Idee ich bau da noch nen Stroboskop ein(natürlich umschaltbar).

Oder fluoreszierendes Wasser mit UV LEDs? (Wäre nen versuch Wert)

Ich werde euch über neuerungen auf dem laufenden halten :)
Benutzeravatar
Crossfire
Hyper-User
Hyper-User
Beiträge: 1059
Registriert: Di, 30.10.07, 11:44
Wohnort: Filderstadt
Kontaktdaten:

Mo, 10.12.07, 16:15

wow sieht sehr gut aus! und super gearbeitet!
ich sag dazu nur: "stolzer preis und noch stolzerer besitzer!" :P

cross
Benutzeravatar
Doc_McCoy
Hyper-User
Hyper-User
Beiträge: 1962
Registriert: Sa, 03.06.06, 15:49
Wohnort: Neualbenreuth
Kontaktdaten:

Mo, 10.12.07, 16:25

Sieht super aus, ist auch ganz gut verarbeitet.
Die Pumpe ist wieder am teuersten. :cry:
MeisteroE
User
User
Beiträge: 19
Registriert: So, 17.09.06, 11:23
Kontaktdaten:

Mo, 10.12.07, 17:01

Die Pumpe gibts auch mit nur einem ausgang für 20€
ich wollt aber mehr :D

hab nochmal nen video gemacht

http://www.myvideo.de/watch/2922910
Benutzeravatar
Crossfire
Hyper-User
Hyper-User
Beiträge: 1059
Registriert: Di, 30.10.07, 11:44
Wohnort: Filderstadt
Kontaktdaten:

Mo, 10.12.07, 17:36

ist das die pumpe wo so laut ist??

sieht gut aus aber da wos immer dunkel ist ist schade das es da ausgeht anstatt ner farbe

cross
Benutzeravatar
Sh@rk
Auserwählter
Auserwählter
Beiträge: 3820
Registriert: Do, 17.08.06, 17:55
Wohnort: Thüringen
Kontaktdaten:

Mo, 10.12.07, 17:37

Wirklich geiles teile und sehr tolle arbeit gefällt mir sehr gut!
MeisteroE
User
User
Beiträge: 19
Registriert: So, 17.09.06, 11:23
Kontaktdaten:

Mo, 10.12.07, 18:04

ja die pumpe ist fast genau so laut wie mein rechner aber die schläuche sind 10 meter lang. Die pumpe stell ich inne ecke
Benutzeravatar
Crossfire
Hyper-User
Hyper-User
Beiträge: 1059
Registriert: Di, 30.10.07, 11:44
Wohnort: Filderstadt
Kontaktdaten:

Mo, 10.12.07, 18:06

dann würd ich se in schaumstoff rein machen also zur lärmdämmung! (außer sie wird ziemlich heiß^^)

cross
MeisteroE
User
User
Beiträge: 19
Registriert: So, 17.09.06, 11:23
Kontaktdaten:

Mo, 10.12.07, 18:45

ja an sowas hab ich auch gedacht
warm wird se auch nicht
Benutzeravatar
Sailor
Moderator
Beiträge: 9427
Registriert: Di, 28.11.06, 22:16
Wohnort: Saarland, Deutschland und die Welt

Mo, 10.12.07, 18:56

Aber Obacht: nicht luftdicht machen! Wenn Luft das Wasser sprudeln lassen soll, dann muss sie zuerst durch die Pumpe.

Gute Arbeit, schöne Idee!
MeisteroE
User
User
Beiträge: 19
Registriert: So, 17.09.06, 11:23
Kontaktdaten:

Mo, 10.12.07, 19:20

:D schon klar :mrgreen:
MeisteroE
User
User
Beiträge: 19
Registriert: So, 17.09.06, 11:23
Kontaktdaten:

Mo, 24.12.07, 11:25

so jetzt hab ich schon 3 röhren
P1010910.jpg
P1010912.jpg
P1010913.jpg
jetzt sind mir die LEDs ausgegangen muss erstmal welche nachbestellen
und ich hasse diese qual der wahl ^^ könnte bissl dauern...... bis es endlich fertig ist

aber was ich mir überlegt habe vielleicht noch ein bisschen Glitzer (sowas was Frauen manchmal auf der Haut haben) zu dem Wasser hinzugeben!?!

Hat jemand ne idee wie ich das Wasser Floureszierend mache? Für UV LEDs!! Könnte auch nen netten effekt ergeben oder was meint ihr?
Benutzeravatar
Crossfire
Hyper-User
Hyper-User
Beiträge: 1059
Registriert: Di, 30.10.07, 11:44
Wohnort: Filderstadt
Kontaktdaten:

Mo, 24.12.07, 12:55

wow sieht hammer aus! Aber ich denke das glitzerzeug schwimmt dann immer nur oben rum... kannst ya so fische rein machen xD

EDIT: Mir ist noch was eingefallen, wie wäre es wenn du tischtennisbälle rein machst wo auch wasserdicht mit leds beleuchtet sind und diese dann an einem kabel nach oben, dann würden sie durch die blubberbläschen hin und her wacklen aber nicht nach oben weil sie nur begrenzt viel kabel haben. Die Bälle müssten dann halt in einer anderen Farbe leuchten! Wie fändest du diese Idee??
MeisteroE
User
User
Beiträge: 19
Registriert: So, 17.09.06, 11:23
Kontaktdaten:

Fr, 28.12.07, 15:13

an sich finde ich die idee ganz gut aber die umsetzung ist mir dann doch einwenig zu kompliziert. die bälle dicht kriegen und im boden die löcher wo die kabel dann durchgehen. bin schon froh das ich bald fertig bin :D

aber mit dem glitzer hattest recht das schwimmt wirklich nur oben!!

aber es gibt ja diese fische. die werde ich einfach nehmen und dann nen spiegel oder ein prisma ranhängen dann wird das licht nochmal gebrochen
Benutzeravatar
Crossfire
Hyper-User
Hyper-User
Beiträge: 1059
Registriert: Di, 30.10.07, 11:44
Wohnort: Filderstadt
Kontaktdaten:

Fr, 28.12.07, 16:57

ja dann müsste man ja auch unten ein loch für die kabel machen und das dicht bekommen... würd aber bestimmt geil aussehen
Benutzeravatar
Morbus
Ultra-User
Ultra-User
Beiträge: 936
Registriert: Fr, 26.10.07, 21:25
Wohnort: Vaihingen
Kontaktdaten:

Sa, 29.12.07, 19:47

Pumpe hättest du auch eine Aquarien-Luftpumpe nehmen können. Da kostet eine 10-20 Euro und die macht auch gut Bläschen.

Aber geil gemacht. Wegen fluoreszierend: Es gibt für Getränke so einen UV-Aktiven Stoff (weis aber gerade nicht wie dieser heißt), den haut man rein dann leuchtet es richtig geil.

Edit: Weist du für was die Röhren mal waren? Also wo bekommt man die her? Bzw. alternativ könnte man ja auch Cola-Flaschen nehmen sieht bestimmt auch geil aus.
Benutzeravatar
Jay
Hyper-User
Hyper-User
Beiträge: 1096
Registriert: Mo, 08.05.06, 07:54
Wohnort: Österreich

So, 30.12.07, 10:24

ein super Howto ich hab mir das leben leichter gemacht und das gebastelt
http://www.youtube.com/watch?v=SusIweL5pqs
die bläschen bewegen sich nicht und die led ist eine rainbow von lumitronix

MfG
Jay
Benutzeravatar
Crossfire
Hyper-User
Hyper-User
Beiträge: 1059
Registriert: Di, 30.10.07, 11:44
Wohnort: Filderstadt
Kontaktdaten:

So, 30.12.07, 14:35

Da sieht MeisteroE's aber besser aus... aber war bestimmt au bissle viel teurer und mehr aufwand! wie hast du's denn gemacht? und wie soll das mit der colaflasche gehen? eine aus plastick? naja wenn dann aus glas aber dann mach erstmal unten ein sauberers lock rein...

cross
MeisteroE
User
User
Beiträge: 19
Registriert: So, 17.09.06, 11:23
Kontaktdaten:

Do, 17.01.08, 12:44

ja gut aussehen würde das bestimmt wenn da noch so anders farbene bälle drinne sind.

Bin jetzt auf die Idee gekommen an der rückseite der Röhren SMD in verschiedenen Farben zu montieren dann nehmen die bläschen mehrere Farbkombinationen an während sie nach oben steigen. Aber da hab ich wieder angst das es blendet und das hasse ich. vielleicht so schräg nach oben zeigend ?! muss ich bald mal austesten!

Jay hat geschrieben:ein super Howto ich hab mir das leben leichter gemacht und das gebastelt
http://www.youtube.com/watch?v=SusIweL5pqs
die bläschen bewegen sich nicht und die led ist eine rainbow von lumitronix

MfG
Jay
hmm in dem Video sieht man ja kaum bläschen.... leichter ist nicht gleich besser :P
aber wieso bewegen die sich nicht oder sind da garkeine?
da bin ich ganz Crossfires Meinung, meins sieht besser aus :D ^^

ich hab keine Ahnung wofür diese Röhren genutzt wurden. hab die aussem industriegebiet da standen die mit reichlich anderen schrott auf der straße. ich habs erst schon bereut als ich damit nichts anzu fangen wusste aber jetzt bin ich froh :D

Die idee mit den colaflaschen finde ich auch interessant da bricht sich das licht ganz anders und die Bläschen steigen nicht nur gerade nach oben. Wenn das jemand ausprobiert will ich das sehen....!

halte euch über erneuerungen auf dem laufenden !
AllOnline
Mini-User
Beiträge: 5
Registriert: Fr, 24.10.08, 16:07

Fr, 24.10.08, 16:09

Hallo,

dein tut ist echt super.

Aber bei deinem Video, das das Licht ausgeht, ist das Schaltungsabhänig?
Benutzeravatar
Björn
User
User
Beiträge: 19
Registriert: Do, 02.10.08, 18:37
Kontaktdaten:

Sa, 25.10.08, 17:46

Hallo!

Ich habe heute auch mal spontan eine kleine Wassersäule aus Resten die ich rumliegen hatte gebaut.
Da unter diesen keine Rainbow-LEDs waren, ist die Säule auch nicht farbvariabel :mrgreen:
Trotzdem, das Preis/Leistungsverhältnis liegt bei 0€ Investition ganz gut ;)

Anmerkung: Auf dem Foto sieht es sehr weiß aus, in Wirklichkeit ist es ein Gelb bis Sektfarbend :D

Grüße, Björn
Dateianhänge
PA256177.jpg
Antworten